![]() |
| 真空 镀膜 太阳能 半导体 石油石化 | ||||
| 煤炭冶金 制气配气 环保 各种仪器分析 |
资料下载
下载一、产品概述
◆无热漂移,可以忽略的温移和时漂,长期稳定性0.1%F.S/年
◆准确度1.0%,量程可在100:1范围内按键设定,无需标定
◆瞬时和累计流量、压力、温度可同时显示
◆无需预热,测量时无响应滞后
◆内置30种气体转换系数,无比热容附加误差,不影响精度
ACU10FC差压式质量流量控制器采用无热漂移,无响应滞后的差压质量测量原理,可以同时显示和输出:瞬时 流量、累计流量、压力、温度等。当需要控制功能时,还可以加装电磁比例调节阀和内置PID 调节功能。 与热式流量计不同,当使用气体转换系数时,ACU10FC-L没有附加的“比热容”误差 。所以,即使测量气体与出厂时的标定气体不同,也不会影响测量精度。
二、产品应用
ACU10FC系列差压式质量流量控制器广泛应用于各行业领域,如:工艺制造、食品分析、分析性测试与计量等。多变量测量以及50:1量程可调比,使得仅用一台ACU10FC差压式质量流量控制器便可取代多台设备的功效。精度1%、重复性1%及不到200毫秒的控制响应时间,确保过程气体正常工作。
三、产品参数
| 运行状况 | 工作温度 | +10~+50℃ | |||
| 最大工作压力 | 1MPa | ||||
| 对安装方式/方向的要求 | >1L/min量程,阀门须垂直安装 | ||||
| 阀门等级 | 阀门长闭 | ||||
| 防护等级 | IP40 | ||||
| 材质 | 不锈钢 | ||||
| 信号 | 单色LCD显示屏 | 同时显示流量、设定 | |||
| 数字输出信号 | RS485/PROFIBUS | ||||
| 模拟输入信号 | 0-5Vdc / 4-20mA | ||||
| 模拟输出信号 | 0-5Vdc / 4-20mA | ||||
| 电信号接口 | DB15 | ||||
| 供电电压 | 24-30Vdc | ||||
| 供电电流 | 0.750Amp | ||||
| 规格 | 量程范围 |
30SLM~300SLM |
|||
| 精度(调零后标准条件下) | ±1%F.S | ||||
| 重复性 | ±1%F.S | ||||
| 零点漂移&满量程漂移 | 0.02% F.S/ ºC/Atm | ||||
| 工作范围/量程可调比 | 2% ~ 100% F.S / 50:1 | ||||
| 最大可测流量 | 100% F.S (可控制) | ||||
| 典型响应时间 | 200 毫秒(可调整) | ||||
| 启动预热时间 | < 5 秒 | ||||
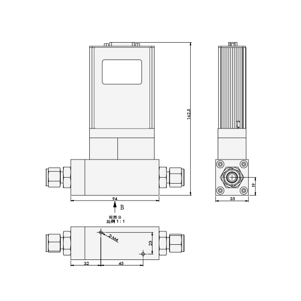
四、产品尺寸图
(▲ ACU10FC-MC差压式质量流量控制器)
(▲ ACU10FC-MM差压式质量流量计)
五、可选配套测控软件 (另外收取费用)
ACU10FC-M差压式质量流量控制器 选型表 (添加
11048 69159 、29145 69088 或 
186 1279 0707 、186 1279 0733 帮您选型)
|
系列号 |
ACU10FC-M |
| 产品类型 | 【C】质量流量控制器 【M】质量流量计 |
| 耐压范围 | 【M】1MPa |
| 现场显示状况 | 【N】不带液晶显示 【X】带液晶显示 |
| 流量范围 |
【030L】30SLM 【050L】50SLM 【100L】100SLM 【200L】200SLM 【300L】300SLM |
| 被测介质 |
详见密度参照表 |
| 流量输入信号 | 【A1】0~5VDC 【A2】4~20mA 【A3】1~5VDC |
| 输出信号 |
【B1】0~5VDC 【B2】4~20mA 【B3】1~5VDC |
| 供电电压 | 【5】±15VDC 【4】24VDC |
| 通讯方式 | 【8】RS485 【2】RS232 |
| 密封材质 | 【V】氟橡胶 【T】丁腈橡胶 【N】氯丁橡胶 【Y】其他 |
| 使用接头 | 【C】φ8 【D】φ10 【E】φ12 【Y】其他与厂家联系 |
| 选型举例 |
ACU10FC-L C M 030L 007 A1 B1 5 8 V C |